Advertisement
Mario
+ 關注
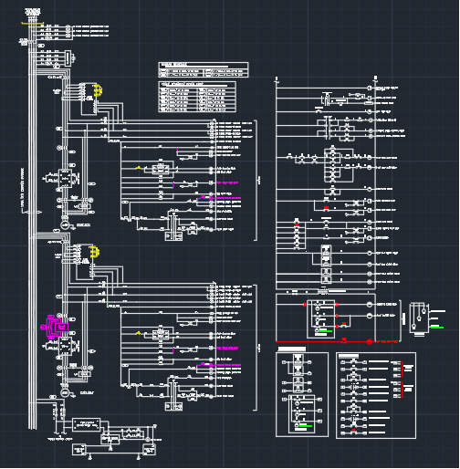
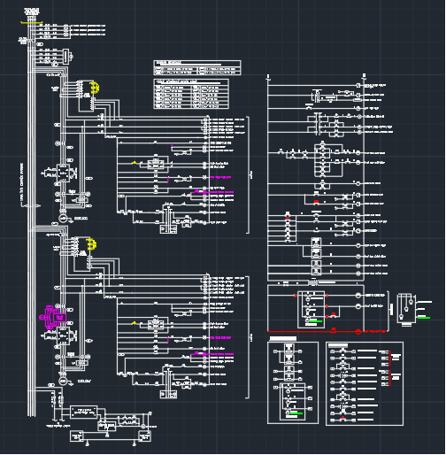
Booster pump control with VFD + PLC
Mario
2022/02/08
+ 關注
作品集
PID Control for constant pressure
Data Logging
pump
plc
vfd
vsd
water
control
elv
回應
發送信息聯繫 Mario